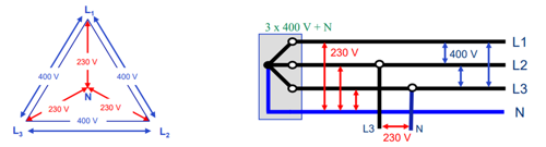
Il existe dans certaines de nos régions encore des réseaux 3 x 230 V sans neutre.
La tension maximum possible n’est donc que de 230 V entre chaque ligne comme vous pouvez le voir sur l’illustration ci-dessous.

La plupart des réseaux actuels sont alimentés par des réseaux 3 x 400 V + N avec neutre.
Les tensions maximums seront alors de 400 V entre chaque ligne et de 230 V entre chaque ligne et le neutre. Voir illustration ci-dessous :

Soyez prudent lors du choix de votre différentiel. Certains fabricants ont construit certains de leurs différentiels de manière à ce que le bouton de test ne fonctionne que si 400V sont présents dans le circuit du bouton de test.
Dans un réseau 3 x 230 V, le 400 V n'est pas disponible et donc tester le bon fonctionnement du différentiel à l'aide du bouton test n'est pas possible.
Cependant, le RGIE Livre 1 impose dans la Sous-section 6.5.7.2. Contenu du rapport de visite de contrôle concernant les installations domestiques, b.4. Contrôle, au point d. : le contrôle du fonctionnement des dispositifs de protection à courant différentiel-résiduel via leur propre bouton de test, ainsi que dans la Section 7.112.3. Essais et mesures, point a. contrôle du fonctionnement des dispositifs de protection à courant différentiel-résiduel via leur propre bouton de test.
Donc, pour les installations domestiques, le fonctionnement du différentiel avec le bouton de test par le contrôleur de l’organisme agrée est imposé. S’il ne fonctionne pas, il en résultera une infraction sur le rapport de contrôle.