Doel kring F2
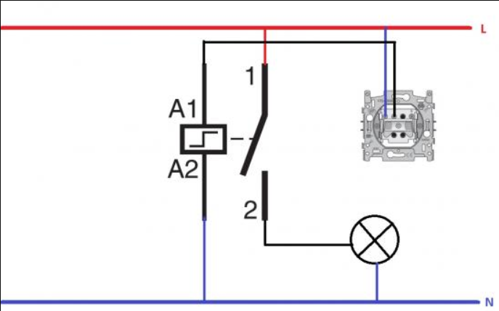
Een klassieke impulsschakelaar bekabelen met een drukknop.
Er wordt een éénpolige bekabeling gevraagd, maar het is niet verboden een tweepolige bekabeling uit te voeren indien de impulsschakelaar het toelaat.

Raadpleeg onderstaande informatie
Kom meer te weten over het AREI
De voornaamste algemene wettelijke voorschriften inzake de elektrische installaties zijn terug te vinden in het Algemeen Reglement op de Elektrische Installaties (AREI). Raadpleeg deze pagina voor meer info.
Didactisch materiaal
- Hoe werkt een automaat?
Elektrotechnische materiaal
Drukknop
- NIKO - Drukknop N.O. of N.G. met 4 aansluitklemmen, 10 A/250 Vac, schroefklemmen
Lamp
Fitting
- CEBEO - Sokkel drukknop 10A 250V AC, N.O./N.C., met 4 aansluitklemmen
- CEBEO - Fitting in thermo-plastiek E27
- CEBEO - Bakeliet fitting
Teleruptor
- CEBEO - CX³ standaard teleruptor - 1P - 230V 16A NO - schroefklemmen - 1 module
- LEGRAND - CX³ stand.tele - 1P - 230V 16A NO - schroefklemmen - 1mod
- CEBEO - Teleruptor iTL16A 2NO 230Vac 50-60Hz 110Vdc
- CEBEO - teleruptor TL - 2 polen - 2 NO - 16 A - spoel 230/240 V 50/60Hz
- CEBEO - CX³ teleruptor - éénpolig -16A - 24 V - 1 NO - 1 module - met schroefklemmen
Automaat
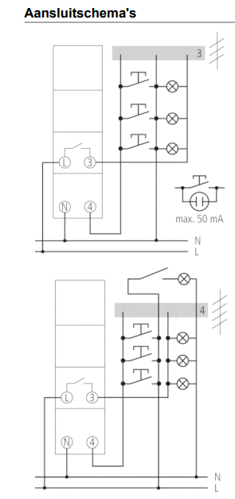
Aansluitschema's





